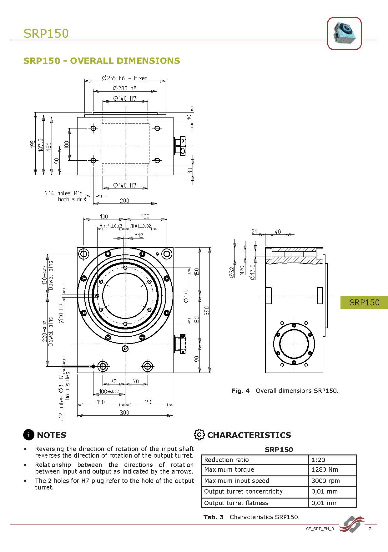
技術規格
| 球面凸輪標準型號: | SRP63 - SRP100 - SRP150 |
| 凸輪類型: | 由伺服電機驅動的球形凸輪 |
描述
伺服滾子定位器 SRP 基于簡單而有效的設計,其特點是緊湊的鋁制外殼具有易于組裝的平坦表面,輸出剛性轉動轉塔,帶有由一對超大徑向滾子軸承支撐的寬中心通孔和精確的, 預加載等速球面凸輪。
凸輪設計和凸輪與輸出轉塔之間的預載允許在任何位置進行高剛性、精確和無間隙運動。
伺服滾子定位器具有可靠性、高動態性能、靈活性、運動平穩性和效率。
該裝置是為標準特定和用戶可編程伺服電機預先安排的。

















2384326522